
Was umfasst eine metallographische Untersuchung?
Was Werkstoffe wirklich zeigen – Wie die Metallographie versteckte Schwachstellen aufdeckt Die wahre Qualität eines Werkstoffs zeigt sich im Inneren
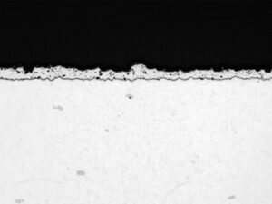
Schweißverbindungen sind das Herzstück vieler Konstruktionen – sei es im Maschinenbau, Stahlbau, der Automobilbranche oder der Luftfahrt. Ihre Qualität bestimmt maßgeblich die Sicherheit, Haltbarkeit und Belastbarkeit eines Bauteils. Fehlerhafte Schweißnähte können zu Materialversagen führen, was im schlimmsten Fall gravierende Folgen hat.
Damit Schweißverbindungen den höchsten Anforderungen gerecht werden, müssen sie präzise geprüft werden. Die SPC Werkstofflabor GmbH ist Ihr Partner für die Qualitätssicherung von Schweißnähten und Fügetechnologien. Mit modernsten zerstörenden und zerstörungsfreien Prüfverfahren analysieren wir Schweißverbindungen auf Risse, Porositäten, Gefügeänderungen und andere Defekte – für maximale Sicherheit und normgerechte Qualität.
Fehlhafte Schweißverbindungen können gravierende Folgen haben: kostspielige Nacharbeiten, ungeplante Ausfälle oder im schlimmsten Fall sicherheitskritische Schäden an Maschinen und Bauwerken.
Setzen Sie auf unsere zertifizierte Werkstoffprüfung, um Qualitätsmängel frühzeitig zu erkennen und Risiken zu vermeiden.
✔ Reduzieren Sie Ausfallzeiten & Nachbesserungen durch zuverlässige Prüfmethoden
✔ Erfüllen Sie Normen & Zulassungsvorgaben durch akkreditierte Prüfverfahren
✔ Sparen Sie Kosten & Ressourcen durch frühzeitige Fehleranalyse
✔ Sichern Sie sich Wettbewerbsvorteile durch dokumentierte Qualität
Lassen Sie keine Kompromisse bei der Qualität Ihrer Schweißverbindungen zu!
Setzen Sie auf geprüfte Sicherheit mit SPC.

Was Werkstoffe wirklich zeigen – Wie die Metallographie versteckte Schwachstellen aufdeckt Die wahre Qualität eines Werkstoffs zeigt sich im Inneren

Ob in der Luftfahrt, Fahrzeugtechnik, Medizintechnik oder im Anlagenbau – Schweiß- und Lötverbindungen sind sicherheitskritische Punkte jeder Konstruktion. Fehler in

Ob Korrosionsschutz, elektrische Isolierung oder mechanische Verstärkung – Beschichtungen sind funktionale Schlüsselelemente moderner Bauteile. Doch kleinste Defekte, mangelhafte Haftung oder
Qualität die überzeugt | Ihr Servicepartner für die Werkstoffprüfung
SPC Werkstofflabor GmbH
In der Waage 10
D-73463 Westhausen
Handelsregister: 722996
Registergericht: Amtsgericht Ulm, HRB